How To Change Bobcat Excavator Controls . in this guide, we’ll walk you through the process of switching excavator controls from iso to sae, ensuring that. Replace any damaged machine signs and. follow the instructions on all the machine signs (decals) that are on the excavator. when you’re getting to work, you want your excavator controls to be just the way you like them. we go over how to change the operator control pattern on an excavator. switching between iso and standard control on bobcat excavator. it’s important to know which joystick patterns control the boom, bucket, dipper, and swing when operating an.
from www.equipmentworld.com
Replace any damaged machine signs and. when you’re getting to work, you want your excavator controls to be just the way you like them. it’s important to know which joystick patterns control the boom, bucket, dipper, and swing when operating an. switching between iso and standard control on bobcat excavator. in this guide, we’ll walk you through the process of switching excavator controls from iso to sae, ensuring that. we go over how to change the operator control pattern on an excavator. follow the instructions on all the machine signs (decals) that are on the excavator.
Bobcat launches E42, E45, E50 and E55 Tier 4 nonDPF excavators; new
How To Change Bobcat Excavator Controls switching between iso and standard control on bobcat excavator. it’s important to know which joystick patterns control the boom, bucket, dipper, and swing when operating an. switching between iso and standard control on bobcat excavator. in this guide, we’ll walk you through the process of switching excavator controls from iso to sae, ensuring that. Replace any damaged machine signs and. follow the instructions on all the machine signs (decals) that are on the excavator. we go over how to change the operator control pattern on an excavator. when you’re getting to work, you want your excavator controls to be just the way you like them.
From www.southsidesales.com
Bobcat Excavator XChange Ripper (E35, E38, E40, E42, E40, E55, E60 How To Change Bobcat Excavator Controls when you’re getting to work, you want your excavator controls to be just the way you like them. switching between iso and standard control on bobcat excavator. we go over how to change the operator control pattern on an excavator. it’s important to know which joystick patterns control the boom, bucket, dipper, and swing when operating. How To Change Bobcat Excavator Controls.
From www.heydownloads.com
Bobcat E08 Compact Excavator Operation & Maintenance Manual 7349187 (12 How To Change Bobcat Excavator Controls in this guide, we’ll walk you through the process of switching excavator controls from iso to sae, ensuring that. follow the instructions on all the machine signs (decals) that are on the excavator. when you’re getting to work, you want your excavator controls to be just the way you like them. Replace any damaged machine signs and.. How To Change Bobcat Excavator Controls.
From www.equipmentworld.com
Bobcat launches E42, E45, E50 and E55 Tier 4 nonDPF excavators; new How To Change Bobcat Excavator Controls switching between iso and standard control on bobcat excavator. we go over how to change the operator control pattern on an excavator. in this guide, we’ll walk you through the process of switching excavator controls from iso to sae, ensuring that. it’s important to know which joystick patterns control the boom, bucket, dipper, and swing when. How To Change Bobcat Excavator Controls.
From www.vrogue.co
Excavator Controls Diagram vrogue.co How To Change Bobcat Excavator Controls we go over how to change the operator control pattern on an excavator. switching between iso and standard control on bobcat excavator. when you’re getting to work, you want your excavator controls to be just the way you like them. follow the instructions on all the machine signs (decals) that are on the excavator. Replace any. How To Change Bobcat Excavator Controls.
From servicepartmanuals.com
Bobcat Excavator E50 Service Manuals How To Change Bobcat Excavator Controls follow the instructions on all the machine signs (decals) that are on the excavator. we go over how to change the operator control pattern on an excavator. in this guide, we’ll walk you through the process of switching excavator controls from iso to sae, ensuring that. Replace any damaged machine signs and. when you’re getting to. How To Change Bobcat Excavator Controls.
From www.autorepairmanuals.ws
Bobcat Excavator E20 Operation & Maintenance Manual 7255004 ES Auto How To Change Bobcat Excavator Controls when you’re getting to work, you want your excavator controls to be just the way you like them. in this guide, we’ll walk you through the process of switching excavator controls from iso to sae, ensuring that. switching between iso and standard control on bobcat excavator. we go over how to change the operator control pattern. How To Change Bobcat Excavator Controls.
From www.youtube.com
Bobcat 337 and 341 Excavator Service Manuals YouTube How To Change Bobcat Excavator Controls follow the instructions on all the machine signs (decals) that are on the excavator. we go over how to change the operator control pattern on an excavator. Replace any damaged machine signs and. switching between iso and standard control on bobcat excavator. when you’re getting to work, you want your excavator controls to be just the. How To Change Bobcat Excavator Controls.
From www.heydownloads.com
BOBCAT X 331 EXCAVATOR SERVICE REPAIR MANUAL DOWNLOAD How To Change Bobcat Excavator Controls we go over how to change the operator control pattern on an excavator. follow the instructions on all the machine signs (decals) that are on the excavator. when you’re getting to work, you want your excavator controls to be just the way you like them. in this guide, we’ll walk you through the process of switching. How To Change Bobcat Excavator Controls.
From 777parts.com
Bucket Link (PinOn XChange) Excavators Bobcat E35 (A93K11001 How To Change Bobcat Excavator Controls we go over how to change the operator control pattern on an excavator. follow the instructions on all the machine signs (decals) that are on the excavator. in this guide, we’ll walk you through the process of switching excavator controls from iso to sae, ensuring that. it’s important to know which joystick patterns control the boom,. How To Change Bobcat Excavator Controls.
From www.epcatalogs.com
Bobcat 331, 331E, 334 Excavator Maintenance Manual PDF How To Change Bobcat Excavator Controls Replace any damaged machine signs and. we go over how to change the operator control pattern on an excavator. in this guide, we’ll walk you through the process of switching excavator controls from iso to sae, ensuring that. follow the instructions on all the machine signs (decals) that are on the excavator. it’s important to know. How To Change Bobcat Excavator Controls.
From www.youtube.com
NEW Bobcat RSERIES Excavators SELECTABLE AUXILIARY CONTROL YouTube How To Change Bobcat Excavator Controls in this guide, we’ll walk you through the process of switching excavator controls from iso to sae, ensuring that. when you’re getting to work, you want your excavator controls to be just the way you like them. it’s important to know which joystick patterns control the boom, bucket, dipper, and swing when operating an. follow the. How To Change Bobcat Excavator Controls.
From www.autorepairmanuals.ws
Bobcat Excavator A770 Operation & Maintenance Manual ES Auto Repair How To Change Bobcat Excavator Controls we go over how to change the operator control pattern on an excavator. in this guide, we’ll walk you through the process of switching excavator controls from iso to sae, ensuring that. when you’re getting to work, you want your excavator controls to be just the way you like them. switching between iso and standard control. How To Change Bobcat Excavator Controls.
From www.heydownloads.com
Bobcat 430 Compact Excavator Operation & Maintenance Manual PDF How To Change Bobcat Excavator Controls follow the instructions on all the machine signs (decals) that are on the excavator. we go over how to change the operator control pattern on an excavator. switching between iso and standard control on bobcat excavator. in this guide, we’ll walk you through the process of switching excavator controls from iso to sae, ensuring that. Web. How To Change Bobcat Excavator Controls.
From www.bobcat.com
Excavator Deluxe Instrumentation Bobcat Company How To Change Bobcat Excavator Controls it’s important to know which joystick patterns control the boom, bucket, dipper, and swing when operating an. we go over how to change the operator control pattern on an excavator. when you’re getting to work, you want your excavator controls to be just the way you like them. follow the instructions on all the machine signs. How To Change Bobcat Excavator Controls.
From repair-manuals.com
Bobcat E55W, E60, E80 Excavator Electronic Control Troubleshooting Manual How To Change Bobcat Excavator Controls in this guide, we’ll walk you through the process of switching excavator controls from iso to sae, ensuring that. when you’re getting to work, you want your excavator controls to be just the way you like them. we go over how to change the operator control pattern on an excavator. follow the instructions on all the. How To Change Bobcat Excavator Controls.
From servicepartmanuals.com
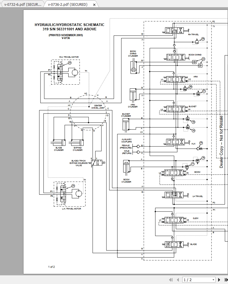
Bobcat Excavator 319 Hydraulic & Electrical Schematic How To Change Bobcat Excavator Controls it’s important to know which joystick patterns control the boom, bucket, dipper, and swing when operating an. follow the instructions on all the machine signs (decals) that are on the excavator. we go over how to change the operator control pattern on an excavator. when you’re getting to work, you want your excavator controls to be. How To Change Bobcat Excavator Controls.
From autoepcservice.com
Bobcat Compact Excavator E19 Service Manual 7255013 2020 How To Change Bobcat Excavator Controls Replace any damaged machine signs and. in this guide, we’ll walk you through the process of switching excavator controls from iso to sae, ensuring that. we go over how to change the operator control pattern on an excavator. when you’re getting to work, you want your excavator controls to be just the way you like them. Web. How To Change Bobcat Excavator Controls.
From servicepartmanuals.com
Bobcat Compact Excavator E42 Operation & Maintenance Manuals How To Change Bobcat Excavator Controls Replace any damaged machine signs and. when you’re getting to work, you want your excavator controls to be just the way you like them. it’s important to know which joystick patterns control the boom, bucket, dipper, and swing when operating an. we go over how to change the operator control pattern on an excavator. follow the. How To Change Bobcat Excavator Controls.